S86BLZ直流無刷伺服電機
S86 BRUSHLESS DC SERVO MOTOR
基本性能
Genaral Specification
項目 ltem | 性能 Specifications |
繞組方式 Winding Type | 星形 star |
霍爾角度 Hall Effectangle | 120° |
環境溫度 Ambient Temperature | -20°C-+50°C |
絕緣電阻 Insulation Resistance | 100 MΩMin.500VDC |
絕緣等級 Insulation class | B |
電氣強度 Dielectric Strength | 700VAC for 1 minute |
IP等級 Class of lP | 30 |
電機規格
Electrical Specifications
型號 Model | S86BLS85-S1000 | S86BLS98-S1000 | S86BLS112-S1000 |
極數 Number of poles | 8 | 8 | 8 |
相數 Number of phases | 3 | 3 | 3 |
額定電壓 Nominal voltage VDC | 48 | 48 | 48 |
額定轉速 Rated speed RPM | 3000 | 3000 | 3000 |
額定扭矩 Rated torque N-M | 0.7 | 1.05 | 1.4 |
額定電流 Rated current Amps | 6.3 | 9 | 11.5 |
輸出功率 Output power W | 220 | 330 | 440 |
峰值扭矩 Peak torque N-M | 2.1 | 3.15 | 4.2 |
峰值電流 Peak current Amps | 19 | 27 | 35 |
力矩常數 Torque constant N-M/A | 0.13 | 0.13 | 0.127 |
反電勢常數 Back EMF constant V/KRPM | 13.7 | 13.7 | 13.3 |
轉動慣量 Rotor inertia Kg.mm2 | 800 | 1200 | 1600 |
機身長度 Body length mm(L) | 85 | 98 | 112 |
重量 Mass Kg | 1.9 | 2.3 | 2.7 |
傳感器 sensor | 霍爾 Honeywell 編碼器 encoder | ||
產品防護等級 Product Class of lP | IP30 | ||
存儲環境溫度 Storage ambient temperature | -25°C-+70°C | ||
產品表面溫度 Product surface temperature | <=80°C | ||
環境濕度 Ambient humidity | 85% RH或以下《無結露) <=85% RH | ||
工作環境 Working environment | 戶外(無陽光直射),無腐蝕氣體,無易燃氣體,無油霧,無塵埃 No direct sunlight,non-corrosive gas, none flammable gas ,no oil misit,no dust | ||
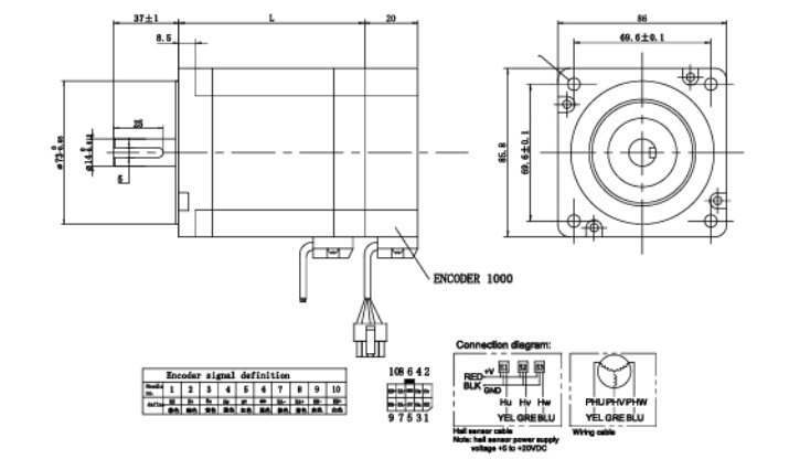
電機外形尺寸
Dimensions
單位
Unit=mm

接線圖
Wiring Diagram
