S110BL直流無刷剎車電機
S110BL BRUSHLESS BRAKE MOTOR
基本性能
Genaral Specification
項目 ltem | 性能 Specifications |
繞組方式 Winding Type | 星形 star |
霍爾角度 Hall Effectangle | 120 |
環境溫度 Ambient Temperature | -20°C-+50°C |
絕緣電阻 Insulation Resistance | 100 MΩMin.500VDC |
絕緣等級 Insulation class | B |
電氣強度 Dielectric Strength | 700VAC for 1 minute |
IP等級 Class of lP | 30 |
電機規格
Electrical Specifications
型號 Model | S110BL110-430 | S110BL142-430 | S110BL172-430 | S110BL232-415 | S110BL110-630 |
極數 Number of poles | 8 | 8 | 8 | 8 | 8 |
相數 Number of phases | 3 | 3 | 3 | 3 | 3 |
額定電壓 Nominal voltage VDC | 48 | 48 | 48 | 48 | 310 |
額定轉速 Rated speed RPM | 3000 | 3000 | 3000 | 1500 | 3000 |
額定扭矩 Rated torque N-M | 3.5 | 4.8 | 6.7 | 9.6 | 3.2 |
額定電流 Rated current Amps | 28 | 42 | 55 | 42 | 5 |
輸出功率 Output power W | 1000 | 1500 | 2000 | 1500 | 1000 |
傳感器 sensor | 霍爾 Honeywell | ||||
| 制動器 Brake | 24V/DC 4Nm | ||||
產品防護等級 Product Class of lP | IP30 | ||||
存儲環境溫度 Storage ambient temperature | -25°C-+70°C | ||||
產品表面溫度 Product surface temperature | <=85°C | ||||
環境濕度 Ambient humidity | 85% RH或以下《無結露) <=85% RH | ||||
工作環境 Working environment | 戶外(無陽光直射),無腐蝕氣體,無易燃氣體,無油霧,無塵埃 No direct sunlight,non-corrosive gas, none flammable gas ,no oil misit,no dust | ||||
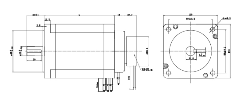
電機外形尺寸
Dimensions
單位
Unit=mm

接線圖
Wiring Diagram
