S86BL直流無刷剎車電機
S86BL BRUSHLESS BRAKE MOTOR
基本性能
Genaral Specification
項目 ltem | 性能 Specifications |
繞組方式 Winding Type | 星形 star |
霍爾角度 Hall Effectangle | 120 |
環境溫度 Ambient Temperature | -20°C-+50°C |
絕緣電阻 Insulation Resistance | 100 MΩMin.500VDC |
絕緣等級 Insulation class | B |
電氣強度 Dielectric Strength | 700VAC for 1 minute |
IP等級 Class of lP | 30 |
電機規格
Electrical Specifications
型號 Model | S86BL70-230 | S86BL80-430 | S86BL90-430 | S86BL105-430 | S86BL115-430 | S86BL130-430 |
極數 Number of poles | 4&8 | 4&8 | 4&8 | 4&8 | 4&8 | 4 |
相數 Number of phases | 3 | 3 | 3 | 3 | 3 | 3 |
額定電壓 Nominal voltage VDC | 24 | 48 | 48 | 48 | 48 | 48 |
額定轉速 Rated speed RPM | 3000 | 3000 | 3000 | 3000 | 3000 | 3000 |
額定扭矩 Rated torque N-M | 0.7 | 1 | 1.3 | 1.8 | 2.1 | 2.5 |
額定電流 Rated current Amps | 6.5 | 8.5 | 12 | 17 | 17 | 19.5 |
輸出功率 Output power W | 200 | 300 | 400 | 565 | 659 | 785 |
傳感器 sensor | 霍爾 Honeywell | |||||
| 制動器 Brake | 24V/DC 2Nm | |||||
產品防護等級 Product Class of lP | IP30 | |||||
存儲環境溫度 Storage ambient temperature | -25°C-+70°C | |||||
產品表面溫度 Product surface temperature | <=80°C | |||||
環境濕度 Ambient humidity | 85% RH或以下《無結露) <=85% RH | |||||
工作環境 Working environment | 戶外(無陽光直射),無腐蝕氣體,無易燃氣體,無油霧,無塵埃 No direct sunlight,non-corrosive gas, none flammable gas ,no oil misit,no dust | |||||
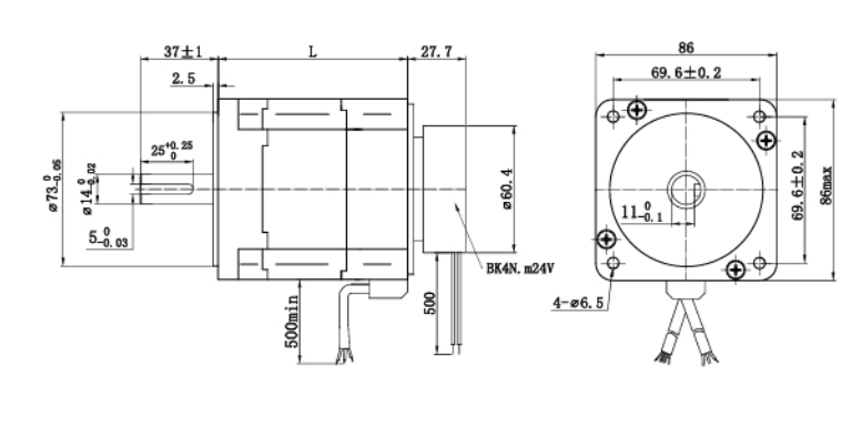
電機外形尺寸/Dimensions
(單位/Unit=mm)

接線圖/Wiring Diagram
