1.8°86mm兩相混合式步進電機
1.8°86MM (NEMA34)2PHASE HYBRID STEPPER MOTOR
基本性能
Genaral Specification
項目 ltem | 性能 Specifications |
步距角 Step Angle | 1.8° |
溫升 Temperature Rise | 80°Cmax |
環境溫度 Ambient Temperature | -20°C-+50°C |
絕緣電阻 Insulation Resistance | 100 MΩMin.500VDC |
絕緣等級 Insulation class | B |
電氣強度 Dielectric Strength | 700VAC for 1 minute |
徑向間隙 Shaft Radial Play | 0.02Max.(450g) |
軸向間隙 Shaft Axial Play | 0.08Max.(450g) |
最大徑向壓力 Max.radial force | 220N(20mm from the flange) |
最大軸向壓力 Max.axial force | 60N |
電機規格/Electrical Specifications:
型號 Model No | 步距角 Step Angle | 機身 Model Length | 電流 Current phase | 電阻 Resistance phase | 電感 Inductance phase | 靜扭矩 Holding Torque | 轉子慣量 Rotor Inertia | 定位扭矩 Dentent Torque | 引出線 Number of Leads | 重量 Weight |
| (°) | mm | A | Ω | mH | N.M | g.cm2 | g.cm | NO. | g | |
| S86BYGH68-400A4 | 1.8 | 68 | 4.0 | 0.63 | 3.2 | 2.6 | 0.85 | 0.8 | 4 | 2.0 |
| S86BYGH80-600A4 | 1.8 | 80 | 6.0 | 0.38 | 3.5 | 4.5 | 1.05 | 1.2 | 4 | 2.5 |
| S86BYGH98-500A4 | 1.8 | 98 | 5.0 | 0.5 | 4.0 | 6.8 | 1.55 | 1.9 | 4 | 3.0 |
| S86BYGH118-600A4 | 1.8 | 118 | 6.0 | 0.6 | 6.8 | 8.5 | 1.8 | 2.4 | 4 | 3.5 |
| S86BYGH128-500A4 | 1.8 | 128 | 5.0 | 0.6 | 5.0 | 9.0 | 2.2 | 2.9 | 4 | 3.9 |
| S86BYGH150-600A4 | 1.8 | 150 | 6.0 | 0.75 | 8.5 | 11 | 2.5 | 3.6 | 4 | 4.2 |
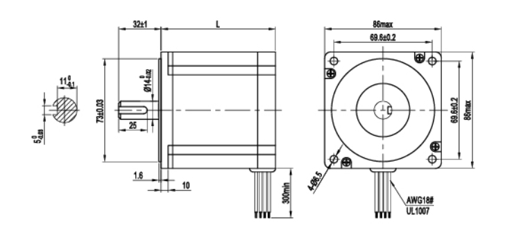
電機外形尺寸
Dimensions
單位
Unit=mm

接線圖
Wiring Diagram
